Le Tonkinois Varnish

B & D Murkin

UK main importers for

Le Tonkinois varnish

Flexidisc sander


Ducting Ratings  -  Airtronic D2  D4  D4 PLUS


Read pages 1 and 2 before proceeding, they contain explanations

The following pages have more models and calculation examples


Airtronic D2 ducting ratings

Part

description


additional notes

Single duct

 rating

1

Grille (Inlet & Outlet)

60 mm


0.4 or 0

2

Ducting flange connecting socket

60 mm


0 or 1.7

3

Flexible pipe

60 mm

Per metre

1

**

Flexible pipe larger size

75 mm

Per metre

[ 0.4 ]

**

Flexible pipe larger size

90 mm

Per metre

[ 0.2 ]

**

Flexible pipe larger size

100 mm

Per metre

[ 0.1 ]

3a

Flexible pipe 90 degree bend

60 mm

Additional to length rating

0.2 or 1.2

4

Protective grille

60 mm

Heater inlet - twist on

0

5

Heater outlet hood straight

60 mm


0

6

Heater outlet hood 90 degree

60 mm


4.8

7

90 degree bend, plastic elbow

60 mm

Fitting into hood only

4

8

T - piece offset 90 degree

60 60 60

Straight through path

90 degree path

0.25

1.4 or 0.6?

9

Y - piece offset 45 degree

60 60 60

Straight through path

45 degree path

0.25?

1 or 0.3?

10

Butterfly valve with regulating flap

Position middle

Position right / left

60 60 60




Equal split

All to one outlet


1.2?

0.6

11

Outlet grille with connector

60 mm

Rotatable

3.2 or 1.4

12

Ducting flange connecting piece

60 mm


0

13

90 degree upright vent

60 mm

Rotatable

0.8

14

30 degree outlet screen flat

60 mm

Rotatable

0.5

15

Outlet screen closeable

60 mm

Rotatable

Not applicable











**

Larger ducting ratings change

60 to 75

[ 60 mm rating x 0.41 ]


**

Larger ducting ratings change

60 to 90

[ 60 mm rating x 0.20 ]


**

Larger ducting ratings change

60 to 100

[ 60 mm rating x 0.13 ]


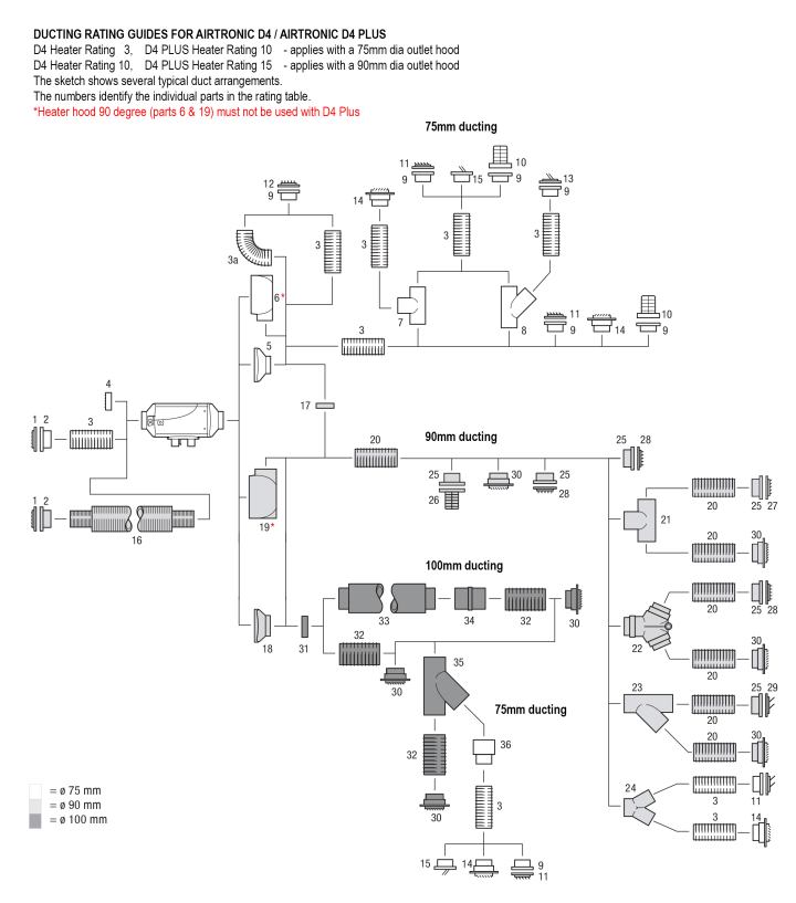
The duct parts drawings show several typical ducting combinations.

Use them to identify the individual component and then look up its rating in the tables below.

Ratings are for single path ducting, refer to page 1 for dual duct installations.

Refer to notes bottom of page for blue and ‘?’ Entries.

Part

description


additional notes

Single duct rating

16

Grille (Inlet & Outlet)

75 mm


0.5

17

Ducting flange connecting socket

75 mm


0

18

Flexible pipe

75 mm

Per metre

1

**

Flexible pipe smaller size

60 mm

Per metre

[ 2 ]

**

Flexible pipe larger size

90 mm

Per metre

[ 0.5 ]

**

Flexible pipe larger size

100 mm

Per metre

[ 0.3 ]

18a

Flexible pipe 90 deg bend

75 mm

Additional to length rating

0.2 or 1.2

19

Heater outlet hood straight

75 mm


0

20

Heater outlet hood 90 degree

75 mm


6

21

90 degree bend, plastic elbow

75 mm

Fitting into hood only

4.5 or 3

22

T - piece offset 90 degree

75 75 75

Straight through path

90 degree path

0.25?

0.8

23

Y - piece offset 45 degree

75 75 75

Straight through path

45 degree path

0.25?

0.5

24

Y - piece symmetrical

75 60 60

75 to 60 mm reduction

0.8

0.8

25

Ducting flange connecting piece

75 mm


0

26

90 degree upright vent

75 mm

Rotatable

0.8

27

30 degree outlet screen flat

75 mm

Rotatable

0.5

28

0 degree outlet screen flat

75 mm

Rotatable

0.5

29

Outlet screen closeable

75 mm

Rotatable

Not applicable

30

Outlet vent with flange

75 mm

Rotatable

0.5

31

French vent with flange

75 mm

Closeable

Not applicable

32

Adaptor ring

60 to 75

60 to 75 mm

0?

33

Ducting union straight

75 mm


0.5 or 0.1

34

Air silencer (Inlet & Outlet)

75 mm


0.7 or 1

35

Butterfly valve with regulating flap

Position middle

Position right / left

75 75 75




Equal split

All to one outlet


1.2 or 1.5

0.5











**

Smaller ducting ratings change

75 to 60

[ 75 mm rating x 2.44 ]


**

Larger ducting ratings change

75 to 90

[ 75 mm rating x 0.48 ]


**

Larger ducting ratings change

75 to 100

[ 75 mm rating x 0.32 ]


Airtronic D4 / D4 Plus Ducting Ratings

Airtronic D2 with 60mm diameter outlet hood  (Heater rating  6)

Airtronic D2 with 75mm diameter outlet hood  (Heater rating 12)

Part

description


additional notes

Single duct rating

1

Grille (Inlet & Outlet)

75 mm


0.4 or 1.4

2

Ducting flange connecting socket

75 mm


0

3

Flexible pipe

75 mm

Per metre

1

**

Flexible pipe smaller size

60 mm

Per metre

[ 2 ]

**

Flexible pipe larger size

90 mm

Per metre

[ 0.5 ]

**

Flexible pipe larger size

100 mm

Per metre

[ 0.3 ]

3a

Flexible pipe 90 degree bend

75 mm

Additional to length rating

0.2 or 1

4

Protective grille

75 mm

Heater inlet - twist on

2

5

Heater outlet hood straight

75 mm


0

6

Heater outlet hood 90 degrees

75 mm

Do not use with D4 Plus

2

7

T - piece offset 90 degree

75 75 75

Straight through path

90 degree path

0.2?

0.5

8

Y - piece offset 45 degree

75 75 75

Straight through path

45 degree path


0.2?

0.6?

higher than 90 degree

part 7?

9

Ducting flange connecting piece

75 mm


0 or 1.4

10

90 degree upright vent

75 mm

Rotatable

1.1

11

30 degree outlet screen flat

75 mm

Rotatable

0.3

12

0 degree outlet screen flat

75 mm

Rotatable

0.3

13

Outlet screen closeable

75 mm

Rotatable

Not applicable

14

Outlet vent with flange

75 mm

Rotatable

0.7

15

French vent with flange

75 mm

Closeable

Not applicable

16

Air silencer

75 mm


1

17

Adapter ring

75/90 mm


0.5











**

Smaller ducting ratings change

75 to 60

[ 75 mm rating x 2.44 ]


**

Larger ducting ratings change

75 to 90

[ 75 mm rating x 0.48 ]


**

Larger ducting ratings change

75 to 100

[ 75 mm rating x 0.32 ]


Airtronic D4 with 75mm diameter outlet hood  (Heater rating  3)

Airtronic D4 Plus with 75mm diameter outlet hood  (Heater rating  10)

Part

description


additional notes

Single duct rating

18

Heater outlet hood straight

90 mm


0

19

Heater outlet hood 90 degrees

90 mm

Do not use with D4 Plus

5

20

Flexible pipe

90 mm

Per metre

1

**

Flexible pipe smaller size

60 mm

Per metre

[ 5 ]

**

Flexible pipe larger size

75 mm

Per metre

[ 2 ]

**

Flexible pipe larger size

100 mm

Per metre

[ 0.7 ]


Flexible pipe 90 degree bend

90 mm

Additional to length rating

0.2


T - piece offset 90 degree

90 90 90


Straight through path

90 degree path

0?

?


22

Butterfly valve with regulating flap

Position middle

Position right / left

90 90 90


Equal split

All to one outlet


1.2

1.4

D2 part 35 has equal split higher than r/l

23

Y - piece offset 45 degree

90 90 90

Straight through path

45 degree path

0 ?

0.5 ?

24

Y - piece symmetrical

90 75 75

90 to 75 mm reduction

0.9

0.9

25

Ducting flange connecting piece

90 mm


2.2 or 1? or 1.4?

26

90 degree upright vent

90 mm

Rotatable

2.4

27

30 degree outlet screen flat

90 mm

Rotatable

2 or 2.4?

28

0 degree outlet screen flat

90 mm

Rotatable

1.1

29

Outlet screen closeable

90 mm

Rotatable

Not applicable

30

Outlet vent with flange


Rotatable

2.4


Y - piece symetrical

90 90 90


?

31

Adapter ring  90 to 100 mm

90 to 100


0

32

Flexible pipe

100 mm

Per metre

0.4 or 1

33

Air silencer

100 mm


0.5 or 1

34

Ducting union straight

100 mm


0.1

35

Y - piece offset 45 degree

100 100 100

100 mm

Straight through path

45 degree path

0

0.5

36

Reducer

100 to 75


3.2











**

Smaller ducting ratings change

90 to 60

[ 90 mm rating x 5.07 ]


**

Smaller ducting ratings change

90 to 75

[ 90 mm rating x 2.07 ]


**

Larger ducting ratings change

90 to 100

[ 90 mm rating x 0.64 ]


Airtronic D4 with 90mm diameter outlet hood  (Heater rating  10)

Airtronic D4 Plus with 90mm diameter outlet hood  (Heater rating  15)

Figures in blue show different ratings from older manuals, also any ratings that look suspect.

  At this time I have no idea which of these are correct, hopefully they will be sorted out later.

  Where the difference is small I have chosen a single value shown in blue.


? Best guess or rating figure not known, treat as very tentative.


**Eberspacher heater duct rating is for ducting the same diameter as the heater outlet hood.

   In practical installations the duct size may be changed anywhere along its length.

   The table lists the equivalent ratings just for the different sized pipe.

   The value for other items can be calculated by multiplying by the figures at the bottom of the table.


[  ]  Figures within square brackets are from my own calculations, not from Eberspachers manuals.

d4_casedamage_03_big.jpg

When a right angled hood is fitted to a D4 Plus it creates turbulence that can damage the heat exchanger.


D4 or D4 Plus case damaged by overheating.

This is probably the result of the D4 Plus turbulence.

Home Eberspacher Duct 1 Duct 2 Duct 3 Duct 4 Duct 5 Site guide

Why a right angled hood is not permitted with a D4 Plus

EberspacherTop^< PreviousNext >

Continues on next page